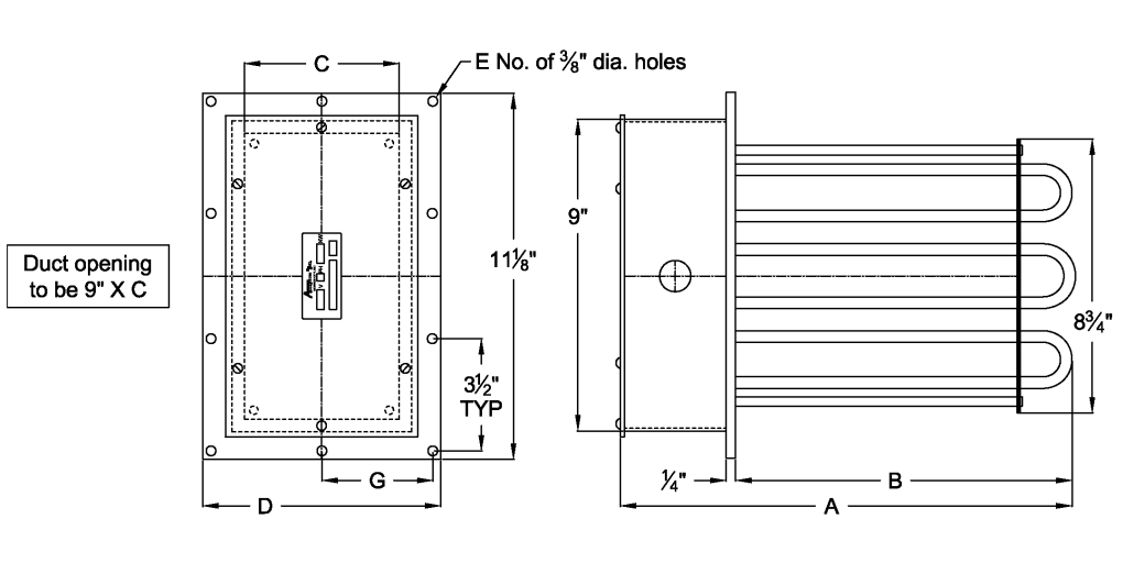
Series DH Tubular Air Duct Heaters feature Incoloy® 840 elements, stainless steel element support, stainless steel support rods, 3-1/2″ high-temperature insulation below the flange, NEMA 1 terminal enclosure, and replaceable element design.

High temperature (1200°F max.)
Features:
- 20 watts per sq. inch on the sheath
- Incoloy 840 elements – 1700°F max. sheath temperature
- Stainless steel element support
- Stainless steel support rods
- 3 1⁄2” high temp. insulation below flange
- 1⁄4” or 3⁄8” thick painted steel flange
- Nichrome A resistance wire sized for low wire watt density
- Recompacted bends
- Replaceable element design
- NEMA 1 terminal enclosure
Recommended Operating Conditions
| Air Speed (ft. per second) | Maximim Operating Temp. |
|---|---|
| 4 | 1000°F |
| 9 | 1100°F |
| 16 | 1200°F |
View all AccuTherm Air Duct Heaters
Excel Automation is an authorized distributor of Accutherm products. Contact us with any questions.

