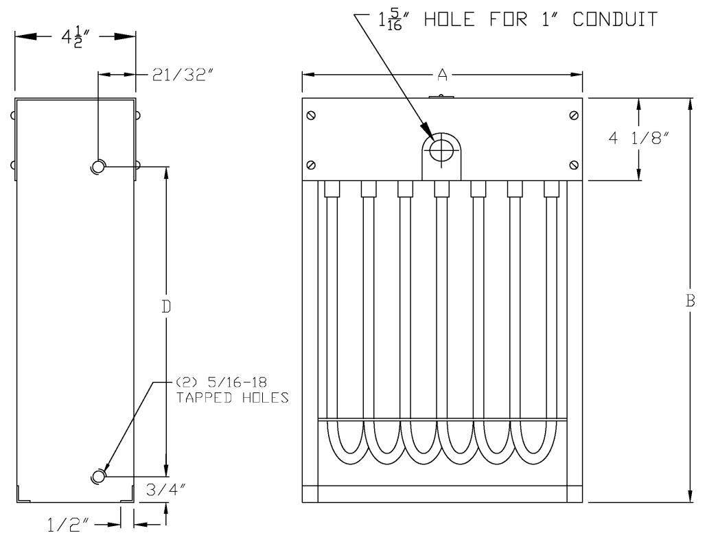
Series ILD In-Line Tubular Air Duct Heaters feature Incoloy® 840 elements, painted steel frame, NEMA 1 terminal enclosure, and replaceable element design
Inline duct heater
Features:
- 26 watts per sq. inch on the sheath
- Incoloy 840 elements – 1700°F max. sheath temperature
- Nichrome A resistance wire
- Recompacted bends
- NEMA 1 terminal enclosure
- Replaceable element design
- Painted steel frame
Recommended Operating Conditions
| Air Speed (ft. per second) | Maximum Operating Temp. |
|---|---|
| 4 | 600°F |
| 9 | 650°F |
| 16 | 750°F |
View all AccuTherm Air Duct Heaters
Excel Automation is an authorized distributor of Accutherm products. Contact us with any questions.


