FS Fork Sensor
Shop by Brand
The FS Fork Sensor is simple to use. The metallic housing is ultra rugged and comes in a wide range of gap sizes. The fork style design is easy to align and simple to adjust.
Features
Fork sensors are used for detecting very small objects and for counting tasks in feeding, assembly and handling applications. They are also used for belt edge and guide control.
The narrow light beam and fast response time makes this type of sensor reliable and well suited for these applications.
Installation is easy and requires no time-consuming process to align the transmiter and receiver. Made of rugged aluminum, long-term stability of the optical axis quarantees alignment between transmitter and receiver will be maintained.
| SENSING MODE Thru-BeamCOMPACT VERSITAL HOUSING 10mm wide anodized aluminum housing allows for mounting in narrow spaces. Housing is epoxy encapsulated, IP67 rated, high-impact and chemical resistant.PERFORMANCE Designed to detect objects as small as 0.5mm. Response time: 240 µs (120µs repeatability). Gap depth ranges from 0.787” (20mm) to 8.661” (220mm). |
INDICATORS Red LED illuminates when outputs are ON. Blinks to indicate low signal margin.SENSITIVITY ADJUSTMENT Adjust top potentiometer counter-clockwise for improved detection of small objects. Adjust clockwise to increase margin in dirty environment. Bottom potentiometer adjusts between “Light On” and “Dark On” options.CONNECTION M8, 3-pin. |

Specifications
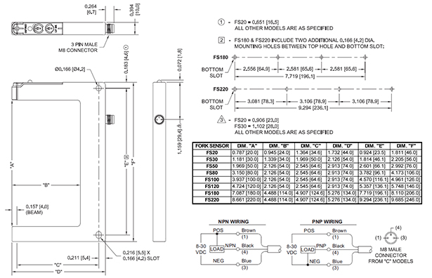
| SUPPLY VOLTAGE & CURRENT: 8-30 Vdc Current 45mA Reverse polarity protected Transient spike protectedOUTPUT: 150mA output current Short circuit & transient spike protected Saturation voltage: < 0.3Vdc @ 10mA < 2Vdc @150mA NPN or PNP based on model.POWER-UP DELAY: 300ms. No output pulse on power-up.RESPONSE TIME: 240µs (120µs repeatability)MINIMUM SIZE OBJECT DETECTION: >0.030″ (0.75mm) at maximum margin (fully clockwise) 0.012″ (0.30mm) at minimum allowed marginGAP RANGE: 20mm to 220mm (determined by model)ADJUSTMENTS: Sensitivity Light/Dark output selectLIGHT IMMUNITY: High immunity to most ambient light, including high efficiency lighting and high intensity strobes. |
LED INDICATORS: Red output LED. Illuminates when output is “ON”. Blinks to indicate low signal margin.LED LIGHT SOURCE: LED, Red = 660nm, IR = 830nm (IR only available for FS180 & FS220 models)CONNECTIONS: M8, 3-pinOPERATING TEMPERATURE: -20°C to 70°C (-4°F to 158°F)HOUSING CONSTRUCTION: 10mm wide anodized aluminum housing Chemical resistant, high-impact ABS & PC Human interface RX Lens: acrylic Epoxy encapsulatedRATINGS & CERTIFICATIONS: IP67 CE UL pending |
Dimensions

Models and Ranges
1. Select Sensor
2. Select Sensing Distance (mm)
|
3. Select Output Configuration
4. Select Connection
|
FS20![]() Gap Depth 0.787” (20mm) |
FS30![]() Gap Depth 01.181” (30mm) |
FS50![]() Gap Depth 1.969” (50mm) |
FS80![]() Gap Depth 3.150” (80mm) |
FS100![]() Gap Depth 3.937” (100mm) |
FS120![]() Gap Depth 4.724” (120mm) |
FS180![]() Gap Depth 7.087” (180mm) |
FS220![]() Gap Depth 8.661” (220mm) |
Catalog Pages
Fork Sensor Overview (9-1-2021)
Applications:
![]() Imbalance detection on rotating parts. |
![]() Under-belt mounting keeps sensor out of the way. |
![]() |
Showing all 16 results
-

FS100NC Fork Sensor
$152.90FS Fork Sensor with Gap Depth of 3.937in (100mm), NPN Output and 3-pin M8 Male Connector. Availability: if your order is urgent, or you need to know the current lead time for this product, please contact us for details. Ask about possible expedite options.
Add to cart -

FS100PC Fork Sensor
$152.90FS Fork Sensor with Gap Depth of 3.937″ (100mm), PNP Output and 3-pin M8 Male Connector. Availability: if your order is urgent, or you need to know the current lead time for this product, please contact us for details. Ask about possible expedite options.
Add to cart -

FS120NC Fork Sensor
$152.90FS Fork Sensor with Gap Depth of 4.724in (120mm), NPN Output and 3-pin M8 Male Connector. Availability: if your order is urgent, or you need to know the current lead time for this product, please contact us for details. Ask about possible expedite options.
Add to cart -

FS120PC Fork Sensor
$152.90FS Fork Sensor with Gap Depth of 4.724in (120mm), PNP Output and 3-pin M8 Male Connector. Availability: if your order is urgent, or you need to know the current lead time for this product, please contact us for details. Ask about possible expedite options.
Add to cart -

FS180NC Fork Sensor
$202.12FS Fork Sensor with Gap Depth of 7.087in (180mm), NPN Output and 3-pin M8 Male Connector. Availability: if your order is urgent, or you need to know the current lead time for this product, please contact us for details. Ask about possible expedite options.
Add to cart -

FS180PC Fork Sensor
$202.12FS Fork Sensor with Gap Depth of 7.087in (180mm), PNP Output and 3-pin M8 Male Connector. Availability: if your order is urgent, or you need to know the current lead time for this product, please contact us for details. Ask about possible expedite options.
Add to cart -

FS20NC Fork Sensor
$135.32FS Fork Sensor with Gap Depth of 0.787in (20mm), NPN Output and 3-pin M8 Male Connector. Availability: if your order is urgent, or you need to know the current lead time for this product, please contact us for details. Ask about possible expedite options.
Add to cart -

FS20PC Fork Sensor
$135.32FS Fork Sensor with Gap Depth of 0.787in (20mm), PNP Output and 3-pin M8 Male Connector. Availability: if your order is urgent, or you need to know the current lead time for this product, please contact us for details. Ask about possible expedite options.
Add to cart -

FS220NC Fork Sensor
$202.12FS Fork Sensor with Gap Depth of 8.661in (220mm), NPN Output and 3-pin M8 Male Connector. Availability: if your order is urgent, or you need to know the current lead time for this product, please contact us for details. Ask about possible expedite options.
Add to cart -

FS220PC Fork Sensor
$202.12FS Fork Sensor with Gap Depth of 8.661in (220mm), PNP Output and 3-pin M8 Male Connector. Availability: if your order is urgent, or you need to know the current lead time for this product, please contact us for details. Ask about possible expedite options.
Add to cart -

FS30NC Fork Sensor
$135.32FS Fork Sensor with Gap Depth of 1.181in (30mm), NPN Output and 3-pin M8 Male Connector. Availability: if your order is urgent, or you need to know the current lead time for this product, please contact us for details. Ask about possible expedite options.
Add to cart -

FS30PC Fork Sensor
$135.32FS Fork Sensor with Gap Depth of 1.181in (30mm), PNP Output and 3-pin M8 Male Connector. Availability: if your order is urgent, or you need to know the current lead time for this product, please contact us for details. Ask about possible expedite options.
Add to cart -

FS50NC Fork Sensor
$148.65FS Fork Sensor with Gap Depth of 1.969in (50mm), NPN Output and 3-pin M8 Male Connector. Availability: if your order is urgent, or you need to know the current lead time for this product, please contact us for details. Ask about possible expedite options.
Add to cart -

FS50PC Fork Sensor
$148.65FS Fork Sensor with Gap Depth of 1.969in (50mm), PNP Output and 3-pin M8 Male Connector. Availability: if your order is urgent, or you need to know the current lead time for this product, please contact us for details. Ask about possible expedite options.
Add to cart -

FS80NC Fork Sensor
$148.65FS Fork Sensor with Gap Depth of 3.150in (80mm), NPN Output and 3-pin M8 Male Connector. Availability: if your order is urgent, or you need to know the current lead time for this product, please contact us for details. Ask about possible expedite options.
Add to cart -

FS80PC Fork Sensor
$148.65FS Fork Sensor with Gap Depth of 3.150in (80mm), PNP Output and 3-pin M8 Male Connector. Availability: if your order is urgent, or you need to know the current lead time for this product, please contact us for details. Ask about possible expedite options.
Add to cart



























