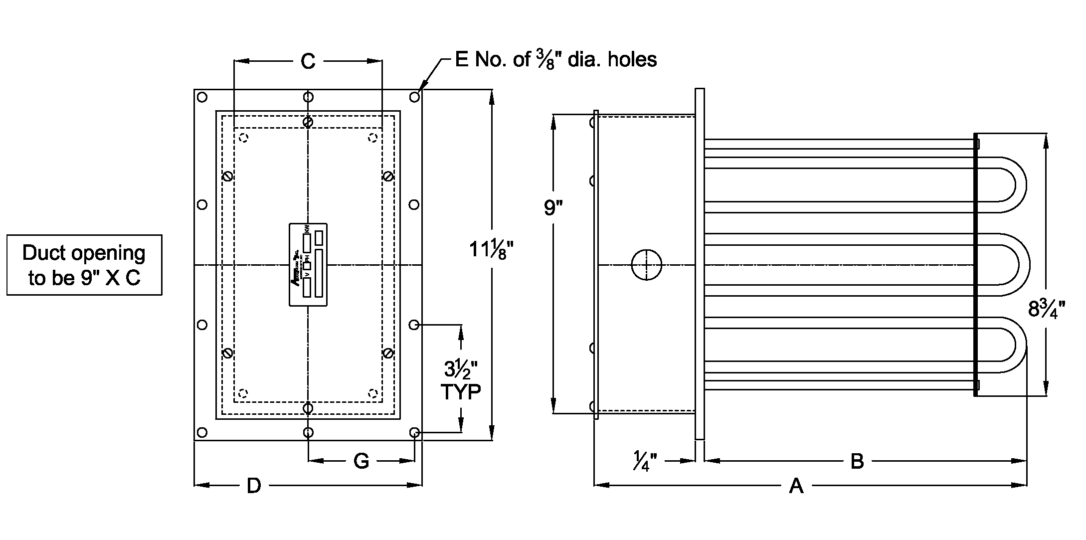
Series DL Tubular Air Duct Heaters feature stainless steel elements, stainless steel element support, painted steel support rods & flange, NEMA 1 terminal enclosure, and replaceable element design.
Low temperature (500°F max.)
Features:
- 30 watts per sq. inch on sheath
- Stainless steel elements – 1200°F max. sheath temperature
- Stainless steel element support
- Painted steel support rods & flange
- NEMA 1 terminal enclosure
- Recompacted bends
- Replaceable element design
- CSA certified with NEMA 1 Housing
Recommended Operating Conditions
| Air Speed | Max. Operating Temp. |
|---|---|
| 5 | 300°F |
| 10 | 400°F |
| 15 | 500°F |
View all AccuTherm Air Duct Heaters
Excel Automation is an authorized distributor of Accutherm products. Contact us with any questions.


